Douchebak met douchegoot

Douchebakken met Douchegoot voor Inloopdouches

Brodzik Posadzkowy Z Odpływem Liniowym 

Onze douchebakken met douchegoot zijn gemaakt van XPS hardschuim, dat speciaal is afgedicht en versterkt voor langdurig gebruik. Deze douchebakken worden geleverd met een reeds gemonteerde en afgedichte roestvrijstalen douchegoot met een rooster naar keuze, samen met een efficiënte sifon. Het is een eenvoudige en moderne oplossing voor het creëren van een inloopdouche zonder drempels.

De lineaire afvoer aan het uiteinde van de douchebak zorgt voor een geleidelijke helling, wat de balans in de douche verbetert. Dit type doucheplaat met drain is geschikt voor zowel grote als kleine tegels en biedt een stijlvolle uitstraling. In tegenstelling tot vierkante afvoeren, die voornamelijk functioneel zijn, draagt een douchegoot bij aan het moderne ontwerp van uw badkamer.

Onze douchebakken zijn ontworpen voor installatie in betegelde natte ruimtes, met een vooraf ingestelde helling naar de afvoer. De geïntegreerde roestvrijstalen douchegoot bevindt zich parallel aan de korte zijde van de bak, wat zorgt voor een efficiënte waterafvoer en een strakke afwerking. Elke set bevat een rooster en een afvoersifon, klaar voor eenvoudige installatie.

Mehr anzeigen
Onze “OneWay Fall Showerlay Wiper 800 x 1200 mm Line Ponente” is een inloopdoucheplaat met een geïntegreerde douchegoot. Deze doucheplaat wordt gekenmerkt door een enkele helling in één richting, gevormd naar de afvoergoot. Afhankelijk van het type vloer en de grootte van de helling die nodig is, zijn er twee diktes beschikbaar: 30 mm en 40 mm. De “OneWay...
Showerlay VF 900 x 1200 is een doucheplaat voor vinylvloeren. Het wordt geleverd met een geïntegreerde Wiper VF douchegoot met een klemmechanisme waarmee de randen van het vinyl rond de douchegoot kunnen worden vastgezet. De voordelen van deze plaat zijn: 100% waterdichte afdichting, geprefabriceerde passende helling (1-2%), akoestische en thermische...
€ 433,45 € 722,42
8 Reviews
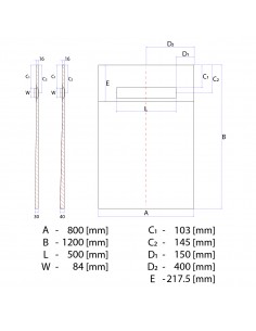
Wiper douchebak 800 x 1200 mm douchegoot type Ponente Dit is de basis voor een inloopdouche. De doucheplaat bestaat uit hard XPS-schuim dat aan beide zijden is gecoat met een elastische kleeflaag die is versterkt met een glasvezelgaas. Afwerking kan met tegels van elk formaat of met mozaïek. Speciale groeven in de richting van de afvoer maken het...
€ 459,72 € 766,21
Wiper douchebak 800 x 1200 mm douchegoot type Invisible Dit is een inloopdouche. De plaat bestaat uit hard XPS-schuim dat aan beide zijden is gecoat met een elastische die is kleeflaag versterkt met een glasvezelgaas. De douchebak kan worden afgewerkt met keramische tegels van elk formaat of mozaïek. Speciale groeven in de richting van de afvoer maken het...
€ 552,61 € 921,01
2 Reviews
Wiper douchebak 1200 x 1200 mm douchegoot type Ponente Dit is een inloopdouche. De plaat bestaat uit hard XPS-schuim dat aan beide zijden is gecoat met een elastische kleeflaag die is versterkt met een glasvezelgaas. Het kan worden afgewerkt met keramische tegels van elk formaat of mozaïek. Speciale groeven in de richting van de afvoer maken het...
€ 552,61 € 921,01
1 Reviews
Wiper douchebak 1200 x 1200 mm douchegoot type Tivano Dit is een inloopdouche. De plaat bestaat uit hard XPS-schuim dat aan beide zijden is gecoat met een elastische kleeflaag die is versterkt met een glasvezelgaas. Het kan worden afgewerkt met keramische tegels van elk formaat of mozaïek. Speciale groeven in de richting van de afvoer maken het...
€ 433,45 € 722,42
3 Reviews
Wiper douchebak 800 x 1200 mm douchegoot type Tivano Dit is een inloopdouche. De plaat bestaat uit hard XPS-schuim dat aan beide zijden is gecoat met een elastische kleeflaag die is versterkt met een glasvezelgaas. Het kan worden afgewerkt met keramische tegels van elk formaat of mozaïek. Speciale groeven in de richting van de afvoer maken het...
€ 442,84 € 738,06
13 Reviews
Wiper douchebak 900 x 1200 mm douchegoot type Ponente Dit is een inloopdouche. De plaat bestaat uit hard XPS-schuim dat aan beide zijden is gecoat met een elastische kleeflaag die is versterkt met een glasvezelgaas. Het kan worden afgewerkt met keramische tegels van elk formaat of mozaïek. Speciale groeven in de richting van de afvoer maken het...
€ 442,84 € 738,06
Wiper douchebak 900 x 1200 mm douchegoot type Tivano Dit is een inloopdouche. De plaat bestaat uit hard XPS-schuim dat aan beide zijden is gecoat met een elastische kleeflaag die is versterkt met een glasvezelgaas. Het kan worden afgewerkt met keramische tegels van elk formaat of mozaïek. Speciale groeven in de richting van de afvoer maken het...
Wiper douchebak 1200 x 1200 mm douchegoot type Invisible Dit is een inloopdouche. De plaat bestaat uit hard XPS-schuim dat aan beide zijden is gecoat met een elastische die is kleeflaag versterkt met een glasvezelgaas. De douchebak kan worden afgewerkt met keramische tegels van elk formaat of mozaïek. Speciale groeven in de richting van de afvoer maken...
Wiper douchebak 900 x 1200 mm douchegoot type Invisible Dit is een inloopdouche. De plaat bestaat uit hard XPS-schuim dat aan beide zijden is gecoat met een elastische die is kleeflaag versterkt met een glasvezelgaas. De douchebak kan worden afgewerkt met keramische tegels van elk formaat of mozaïek. Speciale groeven in de richting van de afvoer maken het...
Onze “OneWay Fall Showerlay Wiper 1200 x 1200 mm Line Ponente” is een inloopdoucheplaat met een geïntegreerde douchegoot. Deze doucheplaat wordt gekenmerkt door een enkele helling in één richting, gevormd naar de afvoergoot. Afhankelijk van het type vloer en de grootte van de helling die nodig is, zijn er twee diktes beschikbaar: 30 mm en 40 mm. De...
Onze “OneWay Fall Showerlay Wiper 1200 x 1200 mm Line Tivano” is een inloopdoucheplaat met een geïntegreerde douchegoot. Deze doucheplaat wordt gekenmerkt door een enkele helling in één richting, gevormd naar de afvoergoot. Afhankelijk van het type vloer en de grootte van de helling die nodig is, zijn er twee diktes beschikbaar: 30 mm en 40 mm. De “OneWay...
Onze “OneWay Fall Showerlay Wiper 800 x 1200 mm Line Tivano” is een inloopdoucheplaat met een geïntegreerde douchegoot. Deze doucheplaat wordt gekenmerkt door een enkele helling in één richting, gevormd naar de afvoergoot. Afhankelijk van het type vloer en de grootte van de helling die nodig is, zijn er twee diktes beschikbaar: 30 mm en 40 mm. De “OneWay...
Onze “OneWay Fall Showerlay Wiper 900 x 1200 mm Line Ponente” is een inloopdoucheplaat met een geïntegreerde douchegoot. Deze doucheplaat wordt gekenmerkt door een enkele helling in één richting, gevormd naar de afvoergoot. Afhankelijk van het type vloer en de grootte van de helling die nodig is, zijn er twee diktes beschikbaar: 30 mm en 40 mm. De “OneWay...
Onze “OneWay Fall Showerlay Wiper 900 x 1200 mm Line Tivano” is een inloopdoucheplaat met een geïntegreerde douchegoot. Deze doucheplaat wordt gekenmerkt door een enkele helling in één richting, gevormd naar de afvoergoot. Afhankelijk van het type vloer en de grootte van de helling die nodig is, zijn er twee diktes beschikbaar: 30 mm en 40 mm. De “OneWay...
Onze “OneWay Fall Showerlay Wiper 1000 x 1200 mm Line Ponente” is een inloopdoucheplaat met een geïntegreerde douchegoot. Deze doucheplaat wordt gekenmerkt door een enkele helling in één richting, gevormd naar de afvoergoot. Afhankelijk van het type vloer en de grootte van de helling die nodig is, zijn er twee diktes beschikbaar: 30 mm en 40 mm. De...
Onze “OneWay Fall Showerlay Wiper 1000 x 1200 mm Line Tivano” is een inloopdoucheplaat met een geïntegreerde douchegoot. Deze doucheplaat wordt gekenmerkt door een enkele helling in één richting, gevormd naar de afvoergoot. Afhankelijk van het type vloer en de grootte van de helling die nodig is, zijn er twee diktes beschikbaar: 30 mm en 40 mm. De “OneWay...
De Showerlay Wiper 1000 x 1200 Elite Ponente Goud is een inloopdoucheplaat met een geïntegreerde lineaire afvoer. De plaat  is ontworpen voor tegels van verschillende diktes en geeft uw badkamer een stijlvolle en elegante uitstraling. Deze doucheplaat is verkrijgbaar in diverse afmetingen en drie verschillende diktes en kan indien nodig op maat worden...
De Showerlay Wiper 1000 x 1200 Elite Ponente Messing is een inloopdoucheplaat met een geïntegreerde lineaire afvoer. De plaat  is ontworpen voor tegels van verschillende diktes en geeft uw badkamer een stijlvolle en elegante uitstraling. Deze doucheplaat is verkrijgbaar in diverse afmetingen en drie verschillende diktes en kan indien nodig op maat worden...
De Showerlay Wiper 1000 x 1200 Elite Ponente Zilver is een inloopdoucheplaat met een geïntegreerde lineaire afvoer. De plaat  is ontworpen voor tegels van verschillende diktes en geeft uw badkamer een stijlvolle en elegante uitstraling. Deze doucheplaat is verkrijgbaar in diverse afmetingen en drie verschillende diktes en kan indien nodig op maat worden...
De Showerlay Wiper 1000 x 1200 Elite Ponente Zwart is een inloopdoucheplaat met een geïntegreerde lineaire afvoer. De plaat  is ontworpen voor tegels van verschillende diktes en geeft uw badkamer een stijlvolle en elegante uitstraling. Deze doucheplaat is verkrijgbaar in diverse afmetingen en drie verschillende diktes en kan indien nodig op maat worden...
De Showerlay Wiper 1000 x 1200 Elite Tivano Goud is een inloopdoucheplaat met een geïntegreerde lineaire afvoer. De plaat  is ontworpen voor tegels van verschillende diktes en geeft uw badkamer een stijlvolle en elegante uitstraling. Deze doucheplaat is verkrijgbaar in diverse afmetingen en drie verschillende diktes en kan indien nodig op maat worden...
De Showerlay Wiper 1000 x 1200 Elite Tivano Messing is een inloopdoucheplaat met een geïntegreerde lineaire afvoer. De plaat  is ontworpen voor tegels van verschillende diktes en geeft uw badkamer een stijlvolle en elegante uitstraling. Deze doucheplaat is verkrijgbaar in diverse afmetingen en drie verschillende diktes en kan indien nodig op maat worden...
De Showerlay Wiper 1000 x 1200 Elite Tivano Zilver is een inloopdoucheplaat met een geïntegreerde lineaire afvoer. De plaat  is ontworpen voor tegels van verschillende diktes en geeft uw badkamer een stijlvolle en elegante uitstraling. Deze doucheplaat is verkrijgbaar in diverse afmetingen en drie verschillende diktes en kan indien nodig op maat worden...
De Showerlay Wiper 1000 x 1200 Elite Tivano Zwart is een inloopdoucheplaat met een geïntegreerde lineaire afvoer. De plaat  is ontworpen voor tegels van verschillende diktes en geeft uw badkamer een stijlvolle en elegante uitstraling. Deze doucheplaat is verkrijgbaar in diverse afmetingen en drie verschillende diktes en kan indien nodig op maat worden...
De Showerlay Wiper 1200 x 1200 Elite Ponente Goud is een inloopdoucheplaat met een geïntegreerde lineaire afvoer. De plaat  is ontworpen voor tegels van verschillende diktes en geeft uw badkamer een stijlvolle en elegante uitstraling. Deze doucheplaat is verkrijgbaar in diverse afmetingen en drie verschillende diktes en kan indien nodig op maat worden...
De Showerlay Wiper 1200 x 1200 Elite Ponente Messing is een inloopdoucheplaat met een geïntegreerde lineaire afvoer. De plaat  is ontworpen voor tegels van verschillende diktes en geeft uw badkamer een stijlvolle en elegante uitstraling. Deze doucheplaat is verkrijgbaar in diverse afmetingen en drie verschillende diktes en kan indien nodig op maat worden...
De Showerlay Wiper 1200 x 1200 Elite Ponente Zilver is een inloopdoucheplaat met een geïntegreerde lineaire afvoer. De plaat  is ontworpen voor tegels van verschillende diktes en geeft uw badkamer een stijlvolle en elegante uitstraling. Deze doucheplaat is verkrijgbaar in diverse afmetingen en drie verschillende diktes en kan indien nodig op maat worden...
De Showerlay Wiper 1200 x 1200 Elite Ponente Zwart is een inloopdoucheplaat met een geïntegreerde lineaire afvoer. De plaat  is ontworpen voor tegels van verschillende diktes en geeft uw badkamer een stijlvolle en elegante uitstraling. Deze doucheplaat is verkrijgbaar in diverse afmetingen en drie verschillende diktes en kan indien nodig op maat worden...
De Showerlay Wiper 1200 x 1200 Elite Tivano Goud is een inloopdoucheplaat met een geïntegreerde lineaire afvoer. De plaat  is ontworpen voor tegels van verschillende diktes en geeft uw badkamer een stijlvolle en elegante uitstraling. Deze doucheplaat is verkrijgbaar in diverse afmetingen en drie verschillende diktes en kan indien nodig op maat worden...
De Showerlay Wiper 1200 x 1200 Elite Tivano Messing is een inloopdoucheplaat met een geïntegreerde lineaire afvoer. De plaat  is ontworpen voor tegels van verschillende diktes en geeft uw badkamer een stijlvolle en elegante uitstraling. Deze doucheplaat is verkrijgbaar in diverse afmetingen en drie verschillende diktes en kan indien nodig op maat worden...
De Showerlay Wiper 1200 x 1200 Elite Tivano Zilver is een inloopdoucheplaat met een geïntegreerde lineaire afvoer. De plaat  is ontworpen voor tegels van verschillende diktes en geeft uw badkamer een stijlvolle en elegante uitstraling. Deze doucheplaat is verkrijgbaar in diverse afmetingen en drie verschillende diktes en kan indien nodig op maat worden...
De Showerlay Wiper 1200 x 1200 Elite Tivano Zwart is een inloopdoucheplaat met een geïntegreerde lineaire afvoer. De plaat  is ontworpen voor tegels van verschillende diktes en geeft uw badkamer een stijlvolle en elegante uitstraling. Deze doucheplaat is verkrijgbaar in diverse afmetingen en drie verschillende diktes en kan indien nodig op maat worden...
De Showerlay Wiper 800 x 1200 Elite Ponente Goud is een inloopdoucheplaat met een geïntegreerde lineaire afvoer. De plaat  is ontworpen voor tegels van verschillende diktes en geeft uw badkamer een stijlvolle en elegante uitstraling. Deze doucheplaat is verkrijgbaar in diverse afmetingen en drie verschillende diktes en kan indien nodig op maat worden...
De Showerlay Wiper 800 x 1200 Elite Ponente Messing is een inloopdoucheplaat met een geïntegreerde lineaire afvoer. De plaat  is ontworpen voor tegels van verschillende diktes en geeft uw badkamer een stijlvolle en elegante uitstraling. Deze doucheplaat is verkrijgbaar in diverse afmetingen en drie verschillende diktes en kan indien nodig op maat worden...
Item 1-36 van 54 in totaal item(s)

Douchebakken met douchegoot bieden een stijlvolle, moderne en efficiënte oplossing voor uw doucheruimte. In deze uitgebreide gids nemen we u mee in de wereld van inloopdoucheplaten met drain, waarbij we de voordelen en kenmerken verkennen, zodat u een weloverwogen beslissing kunt nemen voor de perfecte douche-ervaring.

Wat zijn douchebakken met douchegoot?

Douchebakken met een lineaire douchegoot, ook wel inloopdoucheplaten genoemd, zijn hellende douchebodems die speciaal zijn ontworpen voor gebruik in natte ruimtes en inloopdouches. Ze bieden een stijlvol alternatief voor traditionele douchebakken. Deze platen hebben een zachte helling, wat ze geschikt maakt voor zowel grote als kleine tegels, en dragen bij aan een goede balans in de douche.

In wezen functioneert een inloopdoucheplaat als een betegelde basis voor natte ruimtes en douches, waarbij de traditionele opstaande rand van acrylbakken overbodig wordt. Het lichte ontwerp met een vooraf ingestelde helling naar de afvoer zorgt voor een efficiënte waterafvoer. Onze douchebakken met drain zijn ideaal voor betegelde vloeren en bieden een luxe, moderne uitstraling.

Het kiezen van de juiste maat doucheplaat

Bij het selecteren van de juiste doucheplaat met drain moet u rekening houden met de beschikbare ruimte in uw badkamer en de beoogde douchezone. De afmetingen van de douchebak bepalen niet alleen de grootte van de doucheruimte, maar ook de toegankelijkheid en de waterafvoer. Een zorgvuldige beoordeling van uw badkamerruimte helpt u bij het maken van de beste keuze.

Onze doucheplaten zijn beschikbaar in standaardmaten, variërend van 800 mm tot 1850 mm in lengte, en kunnen worden geïnstalleerd op zowel betonnen als houten vloeren. Als u specifieke vereisten heeft, kunnen de platen op maat worden gemaakt. Dankzij de op maat gemaakte opties kunt u uw douche-ervaring volledig aanpassen.

Materiaaloverwegingen

Wanneer het gaat om de keuze van materialen voor doucheplaten, komt XPS (geëxtrudeerd polystyreen) naar voren als een uitstekende keuze. Dit lichtgewicht en flexibele materiaal biedt uitstekende akoestische eigenschappen en is eenvoudig te installeren. XPS-schuim heeft ook geluidsdempende voordelen, wat zorgt voor een rustigere badkamerervaring. Het is de perfecte keuze voor projecten die zowel stijl als functionaliteit vereisen.

Positie van de afvoer en helling

De positie van de douchegoot en de helling van de douchebak zijn cruciale factoren voor een goede waterafvoer. Een goed ontworpen afvoersysteem zorgt ervoor dat het water van de douchedeur wegstroomt en naar de afvoer wordt geleid, waardoor lekkages worden voorkomen.

Waarom kiezen voor een douchebak met lineaire goot?

Douchebakken met een lineaire douchegoot bieden een moderne en efficiënte oplossing voor uw doucheruimte. Door te letten op factoren zoals de juiste maat, materiaalkeuze en afvoerpositie kunt u een douchezone creëren die voldoet aan uw behoeften en uw badkamerontwerp verbetert.

Product toegevoegd aan verlanglijstje
Product toegevoegd om te vergelijken
×

Wij gebruiken cookies om uw ervaring te verbeteren. Door deze site te blijven bezoeken, gaat u akkoord met ons gebruik van cookies. Ga voor meer informatie naar ons privacybeleid.

Sluiten Aanpassen Alles accepteren